

Гарантия строгого соответсвия предлагаемой нами продукции техническим стандартам и регламентам.

Узнайте о наличии Вашего размера на складе или сроки изготовления
Алюминиевая шина используется для изготовления шинопроводов, шинных сборок, токопроводов и распределительных устройств, а так же для подключения любого стационарного мощного оборудования. Алюминиевые шины достаточно просты в монтаже и обеспечивают высокую надежность. Алюминий отличается высокими механическими и антикоррозийными свойствами.
Поставляемые нами алюминиевые шины изготовляются по ГОСТ 15176 из алюминия марки АД0 (мягкая) и АД31(твердая).
Мы поставляем шину шириной от 16 до 120 мм, толщиной от 3 до 30 мм и длиной от 2 до 7,5 м (стандартное исполнение 4 или 6 м), прямоугольного сечения и с радиусом.
Шина может быть плоского или коробчатого сечения.
Мы знаем все про алюминиевую шину! С удовольствием ответим на все Ваши вопросы.

В сечении алюминиевой шины лежит прямоугольник. А - ширина, В - высота. Например алюминиевая шина 120х10. Стандартная длина 4 и 6м. Возможно изготовление другой длины, это нужно согласовывать отдельно.
В таблице представлены только типовые размеры шины, токовые характеристики (в соответствии с ПУЭ) и вес.
Наша номенклатура алюминиевой шины намного шире. Запрашивайте интересующие Вас позиции и мы Вам обязательно поможем.
| Сечение шины, мм | Допустимый ток *, А | Вес **, кг | ||
| переменный | постоянный | за 1 метр | за 4 метра | |
| Шина алюминиевая 15×3 | 165 | 165 | 0,12 | 0,48 |
| Шина алюминиевая 20х3 | 215 | 215 | 0,16 | 0,64 |
| Шина алюминиевая 25х3 | 265 | 265 | 0,2 | 0,8 |
| Шина алюминиевая 30х4 | 365 | 370 | 0,33 | 1,32 |
| Шина алюминиевая 40х4 | 480 | 480 | 0,43 | 1,72 |
| Шина алюминиевая 40х5 | 540 | 545 | 0,54 | 2,16 |
| Шина алюминиевая 50х5 | 665 | 670 | 0,68 | 2,72 |
| Шина алюминиевая 50х6 | 740 | 745 | 0,81 | 3,24 |
| Шина алюминиевая 60х6 | 870 | 880 | 0,96 | 3,92 |
| Шина алюминиевая 60х8 | 1025 | 1040 | 1,3 | 5,2 |
| Шина алюминиевая 60х10 | 1155 | 1180 | 1,63 | 6,52 |
| Шина алюминиевая 80х6 | 1150 | 1170 | 1,3 | 5,2 |
| Шина алюминиевая 80х8 | 1320 | 1355 | 1,73 | 6,92 |
| Шина алюминиевая 80х10 | 1480 | 1540 | 2,17 | 8,68 |
| Шина алюминиевая 100х6 | 1425 | 1455 | 1,63 | 6,52 |
| Шина алюминиевая 100х8 | 1625 | 1690 | 2,17 | 8,68 |
| Шина алюминиевая 100х10 | 1820 | 1910 | 2,71 | 10,84 |
| Шина алюминиевая 120х8 | 1900 | 2040 | 2,59 | 10,36 |
| Шина алюминиевая 120х10 | 2070 | 2300 | 3,25 | 13 |
| Сечение шины, мм | Допустимый ток *, А | Вес **, кг | ||
| пере-менный | посто-янный | за 1 метр | за 4 метра | |
| Шина алюминиевая 15×3 | 165 | 165 | 0,12 | 0,48 |
| Шина алюминиевая 20х3 | 215 | 215 | 0,16 | 0,64 |
| Шина алюминиевая 25х3 | 265 | 265 | 0,2 | 0,8 |
| Шина алюминиевая 30х4 | 365 | 370 | 0,33 | 1,32 |
| Шина алюминиевая 40х4 | 480 | 480 | 0,43 | 1,72 |
| Шина алюминиевая 40х5 | 540 | 545 | 0,54 | 2,16 |
| Шина алюминиевая 50х5 | 665 | 670 | 0,68 | 2,72 |
| Шина алюминиевая 50х6 | 740 | 745 | 0,81 | 3,24 |
| Шина алюминиевая 60х6 | 870 | 880 | 0,96 | 3,92 |
| Шина алюминиевая 60х8 | 1025 | 1040 | 1,3 | 5,2 |
| Шина алюминиевая 60х10 | 1155 | 1180 | 1,63 | 6,52 |
| Шина алюминиевая 80х6 | 1150 | 1170 | 1,3 | 5,2 |
| Шина алюминиевая 80х8 | 1320 | 1355 | 1,73 | 6,92 |
| Шина алюминиевая 80х10 | 1480 | 1540 | 2,17 | 8,68 |
| Шина алюминиевая 100х6 | 1425 | 1455 | 1,63 | 6,52 |
| Шина алюминиевая 100х8 | 1625 | 1690 | 2,17 | 8,68 |
| Шина алюминиевая 100х10 | 1820 | 1910 | 2,71 | 10,84 |
| Шина алюминиевая 120х8 | 1900 | 2040 | 2,59 | 10,36 |
| Шина алюминиевая 120х10 | 2070 | 2300 | 3,25 | 13 |
* при условии подключения 1 полосу на фазу
** Вес из расчета плотности алюминия 2,7 г/см3

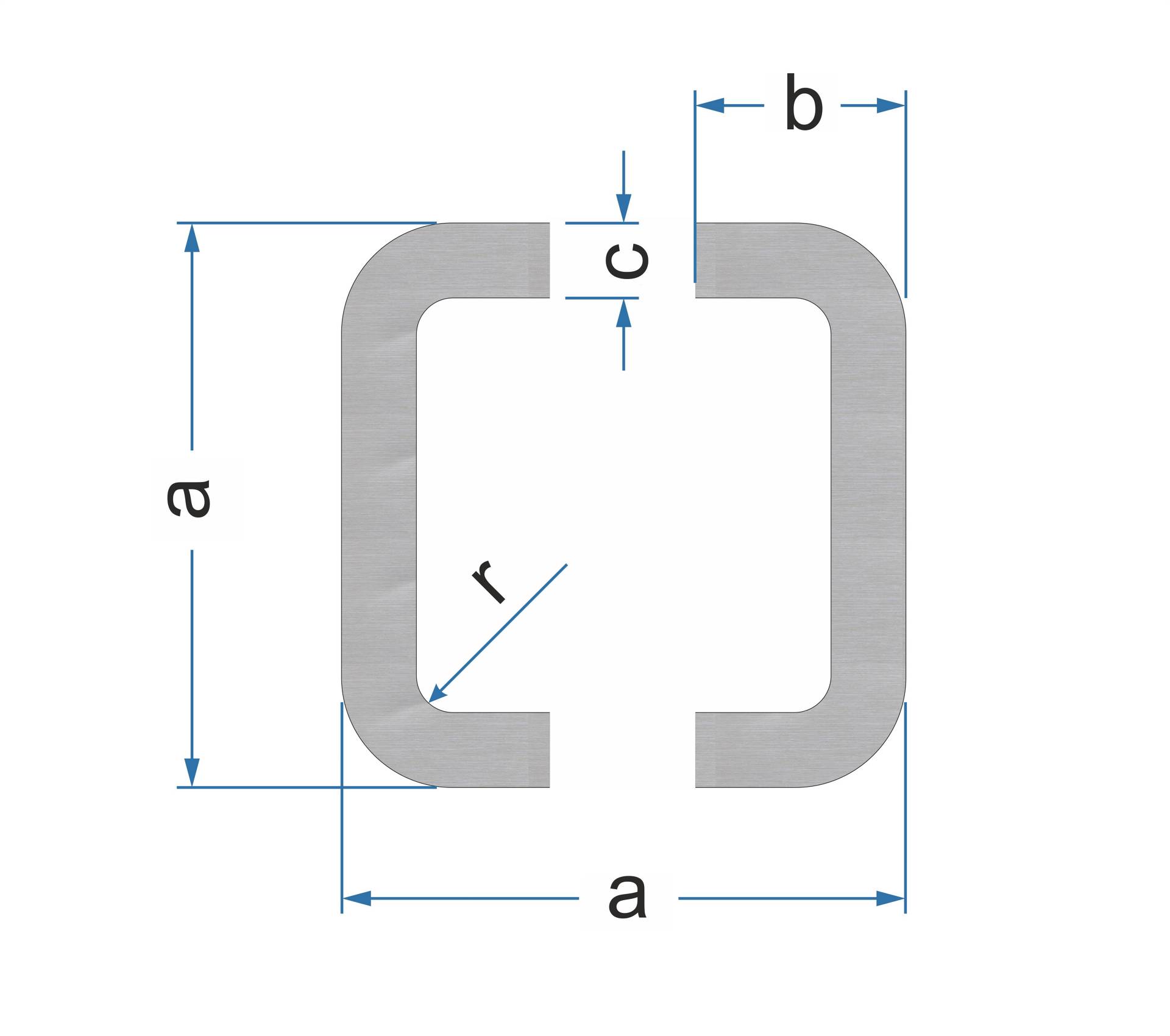
Шина коробчатого сечения представляет собой два алюминиевых швеллера, которые потом соединяются друг с другом и образуют коробчатую конструкцию.
В таблице представлены только типовые размеры шины и токовые характеристики (в соответствии с ПУЭ).
Наша номенклатура алюминиевой шины намного шире. Запрашивайте интересующие Вас позиции и мы Вам обязательно поможем.
Размеры, мм | Поперечное сечение одной шины, мм² | Ток на две шины, А | |||
a | b | c | r | ||
75 | 35 | 5,5 | 6 | 695 | 2670 |
100 | 45 | 4,5 | 8 | 775 | 2820 |
100 | 45 | 6 | 8 | 1010 | 3500 |
125 | 55 | 6,5 | 10 | 1370 | 4640 |
150 | 65 | 7 | 10 | 1785 | 5650 |
175 | 80 | 8 | 12 | 2440 | 6430 |
200 | 90 | 10 | 14 | 3435 | 7550 |
200 | 90 | 12 | 16 | 4040 | 8830 |
225 | 105 | 12,5 | 16 | 4880 | 10300 |
250 | 115 | 12,5 | 16 | 5450 | 10800 |

Наша компания готова изготовить алюминиевый профиль практически любого сечения.
Для этого сбрасывайте нам на почту чертежи нужного сечения и мы ответим Вам в течении 30 минут.
Если у нас есть матрица данного профиля, то сроки поставки будут до 14 дней. Если матрицы у нас нет, мы готовы ее изготовить при определенном объеме.
Наша компания оказывает полный спектр услуги по обработке шины. Резка, перфорация, изгиб по вашим чертежам. Мы можем полностью изготовить для вас готовые изделия для установки в шкаф.
Шину длинной до 5 метров мы можем покрыть составом олово-висмут для возможности соединения с алюминием. Также мы можем покрыть отдельно только контактные площадки или любые небольшие детали.
Дополнительные услуги



Задайте вопрос логисту
- Сколько будет стоить доставка до вашего местонахождения?
- Сколько весит груз для вас?
- Какими транспортными компаниями мы пользуемся?
- Может мы довезем Вам бесплатно?
- Может быть что-то еще?
Ваш вопрос логисту

Почему надо покупать шину у нас?
Гарантированное качество
6-летний опыт работы с лидирующими заводами России и Европы
Низкая цена
Мы работаем напрямую с производителем.
Все необходимые сертификаты
Вся наша продукция сертифицирована. Каждая партия сопровождается сертификатом завода-изготовителя
Наличие товара на складе
30 типоразмеров из наличия на нашем складе.
Склад в Москве
Возможность отгрузки день в день, доставки по Москве и МО на следующий день, регулярные отправки грузов по всей России.
Мы дарим подарки
Чтобы работа приносила радость, мы запустили бонусно- накопительную систему. Бонусы можно обменять на подарки из каталога
Дополнительные услуги
Мы предлагаем ряд услуг по обработке гибких шин, медных и алюминиевых шин: перфорация, резка, гибка, покрытие защитными составами (олово, серебро)
Готовые решения на все случаи
Мы готовы предложить для вас решение практически любой вашей задачи.

Так же мы можем делать готовые изделия, изготовленные по чертежам, покрыть детали оловом, серебром или другими покрытиями.
Если хотите получить информацию по остальным продуктам, которые мы продаем, позвоните по телефону +7 (495) 104 57 06 или оставьте заявку и мы перезвоним Вам в течении 30 минут.

Так же мы можем делать готовые изделия, изготовленные по чертежам, покрыть детали оловом, серебром или другими покрытиями.
Если хотите получить информацию по остальным продуктам, которые мы продаем, позвоните по телефону +7 (495) 104 57 06 или оставьте заявку и мы перезвоним Вам в течении 30 минут.
Написать руководству компании
О нас
Наша компания занимается комплексной поставкой электрооборудования на российские предприятия.
Мы на рынке с 2010 года.
Работаем со сборочными производствами, монтажными компаниями, торговыми домами и частными лицами.
Основным нашим товаром является медесодержащее оборудование (медная и гибкая шина).
Мы наладили свое производство гибкой изолированной шины и пластин переходных типа МА по новым технологиям.
К нам можно обратиться с любым вопросом, мы всегда готовы помочь.
Наша основная задача - не продавать, а помогать Вам решать свои проблемы с поставками. Даже если мы не сможем поставить Вам какое-либо оборудование, то с удовольствием подскажем как и где его купить.
Если у Вас появились вопросы или уже есть заявка на алюминиевую шину, заполните пожалуйста форму. Мы вам ответим в течении 30 минут.
Офис:
129085, г. Москва, ул. Годовикова, д.9, стр. 16
Время работы: с 9:00 до 18:00. Тел. 8-495-104-57-06, sale@lifeelectro.ru
Склад:
г. Москва, Высоковольтный проезд, д. 2 стр. 3
Время работы: с 09:00 до 18:00. Тел. 8-915-489-87-35
ООО "ПК Лайф-Электро"
г. Москва, ул. Годовикова, д.9, стр.16
Время работы: 9:00 - 18:00
E-mail: sale@lifeelectro.ru
8 (495) 104 57 06
WhatsApp/Viber:
8 (925) 517-35-15
Заказ обратного звонка
Политика конфиденциальности
Редактируемый текст
Данный сайт использует Cookie
Редактируемый текст